Menu Principal:
—¿Qué es y para que se utiliza?
—Formas de obtención de la Frecuencia Cardíaca.
—Diagrama a bloques del Módulo de Frecuencia Cardíaca.
Es la expansión rítmica de una arteria, producida por el paso de la sangre bombeada por el corazón. El pulso se controla para determinar el funcionamiento del corazón. El pulso sufre modificaciones cuando el volumen de sangre bombeada por el corazón disminuye o cuando hay cambios en la elasticidad de las arterias.
El ritmo del pulso es la medida de la frecuencia cardíaca, es decir, del número de veces que el corazón late por minuto. Cuando el corazón impulsa la sangre a través de las arterias, éstas se expanden y se contraen con el flujo de la sangre. Al tomar el pulso no sólo se mide la frecuencia cardíaca, sino que también puede indicar:
—El ritmo del corazón.
—La fuerza de los latidos.
El pulso normal de los adultos sanos oscila entre 60 y 100 latidos por minuto. El pulso podría fluctuar y aumentar con el ejercicio, las enfermedades, las lesiones y las emociones. Las niñas a partir de los 12 años y las mujeres en general suelen tener el pulso más rápido que los niños y los hombres. Los deportistas, como los corredores, que hacen mucho ejercicio cardiovascular, pueden tener ritmos cardiacos de hasta 40 latidos por minuto sin tener ningún problema.
El pulso normal varía de acuerdo a diferentes factores; siendo el más importante la edad:
Niños de Meses: 130 a 140 Pulsaciones por minuto.
Niños: 80 a 100 Pulsaciones por minuto.
Adultos: 72 a 80 Pulsaciones por minuto.
Ancianos: 60 o menos pulsaciones por minuto.
Formas de obtención de la Frecuencia Cardíaca
El pulso se puede tomar en cualquier arteria superficial que pueda comprimirse contra un hueso. Los sitios donde se puede tomar el pulso son:
—En la sien (temporal).
—En el cuello (carotídeo).
—Parte interna del brazo (humeral).
—En la muñeca (radial).
—Parte interna del pliegue del codo (cubital).
—En la ingle (femoral).
—En el dorso del pie (pedio).
—En la tetilla izquierda de bebes (pulso apical).
Pulso Carotídeo
Es el de más fácil localización y por ser el que pulsa con más intensidad. La arteria carotídea se encuentra en el cuello a lado y lado de la tráquea para localizarlo: se localiza la manzana de adán, deslice los dedos hacia el lado de la tráquea, se presiona ligeramente para sentir el pulso y se cuenta (Ver Figura 1).

Figura 1. Pulso Carotideo
Pulso Radial
Este pulso es de mayor acceso, pero a veces en caso de accidente se hace imperceptible. Palpe la arteria radial, que está localizada en la muñeca, inmediatamente arriba en la base del dedo pulgar; coloque sus dedos (Índice, medio y anular) haciendo ligera presión sobre la arteria y cuente (Ver Figura 2).

Figura 2. Pulso Radial
Pulso Apical
Se denomina así el pulso que se toma directamente en la punta del corazón. Este tipo de pulso se toma en niños pequeños (bebes). Se coloca sus dedos sobre la tetilla izquierda; se presiona ligeramente para sentir el pulso y se cuenta el pulso en un minuto.
Forma Manual
Cuando el corazón impulse la sangre a través de las arterias, se notará los latidos presionando con firmeza en las arterias, que están localizadas cerca de la superficie de la piel en ciertos lugares del cuerpo (Ver Figura 3).

Figura 3. Forma Manual
Utilizando las yemas del dedo índice y corazón, se presiona suavemente pero con firmeza sobre las arterias hasta que note el pulso. Se Empieza a contar las pulsaciones observando el comienzo del segundero del reloj. Cuente su pulso durante 60 segundos.
Diagrama a bloques del Módulo de Frecuencia Cardíaca
Para el efecto de este módulo se toma la primera derivación del ECG, contando las manifestaciones del complejo QRS durante 60 segundos, que serán presentadas en LCD obteniéndose el número de pulsaciones por minuto (Ver Figura 4).

Figura 4. Diagrama a bloques
Electrodos Ag/AgCl
Los contenidos frecuenciales del electrocardiograma varían de acuerdo a la ubicación de los electrodos, es decir, dependen de las derivaciones (Nichols y Mirvis, 1985). Los potenciales generados por el corazón pueden ser registrados aplicando electrodos en diferentes lugares del cuerpo, determinando que la finalidad de la posición de los electrodos o de los sistemas de derivaciones es proporcionar la información de los potenciales eléctricos del corazón.
El método clásico de hacerlo consiste en colocar un electrodo en cada muñeca y el tercero en el tobillo izquierdo, y registrar las diferencias de potencial que aparecen entre ellos tomados de a pares. Para el efecto se colocan los electrodos para tomar la primera derivación (RA, LA, RL) en la región torácica o en las extremidades como se muestra en la Figura 5.


Figura 5 Posición electrodos Primera Derivación
Cable básico una Derivación
Para medir la primera derivación del ECG debe asegurarse una correcta aplicación de los electrodos, sus posiciones y código de colores (IEC y AAMI) se indican en la junta del cable básico.
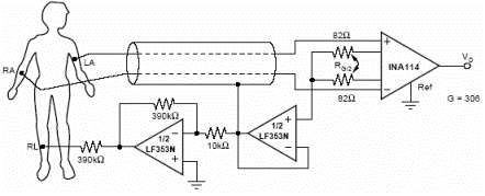
Amplificador de Instrumentación y Circuito de protección
Esta etapa cuenta con un amplificador de instrumentación INA114AP con una ganancia fija de:
![]()
Y un circuito de protección de paciente formado por los dos amplificadores LF353N que cumple dos objetivos; el primero, colocar la pierna derecha RL a una tierra aislada de la tierra eléctrica del circuito con el propósito de suministrar seguridad eléctrica al paciente; la segunda, atenuar el voltaje de modo común que afecta los terminales de entrada al amplificador INA114AP (Ver Figura 6).

Figura 6 Circuito Primera Derivada para Frecuencia Cardíaca
Filtro Activo Pasa Banda
El circuito de la Figura 7, es un filtro activo Pasa Banda Butterworth de 60dB/década (dos filtros activos Pasa-Baja y Pasa-Altas Butterworth de 60dB/década, conectados en cascada), con una frecuencia de corte inferior de 0.05Hz y una superior de 40Hz. El filtrado se realiza en el circuito RC y el amplificador operacional (TL084CN) se utiliza como amplificador de ganancia unitaria.

Figura 7. Filtro Activo Pasa Banda de 0.05Hz a 40Hz
Estos dispositivos son de bajo costo, gran velocidad, y entrada JFET. Requieren un bajo suministro de energía, manteniendo una ganancia y ancho de banda proporcional, además provee una muy baja entrada de corrientes de Offset, lo cual ofrece un excelente rechazo en modo común. En las salidas de los amplificadores de Instrumentación de las Derivaciones bipolares, aumentadas y precordiales se encuentra un bloque de filtrado con conector de salida Jack ¼ mono.
Pasos de diseño en el filtro Pasa Banda (0.05Hz-40Hz)
A fin de garantizar que la respuesta la frecuencia sea plana durante los valores de pasa banda se aplican los siguientes cálculos:

El filtro de Banda Ancha obtenido mediante los filtros Pasa Bajas y Pasa Altas conectados en cascada tienen las siguientes características:
—La frecuencia de corte inferior, fh, está determinada sólo por el filtro pasa altas.
—La frecuencia de corte superior, fl, está definida exclusivamente por el filtro pasa bajas.
La ganancia tendrá su valor máximo en la frecuencia resonante, y su valor será el mismo que la ganancia banda de paso de cualquiera de los filtros anteriores (Ver Figura 8).

Figura 8 Diagrama de Bode Filtro Activo Pasa Banda (0.05Hz-40Hz)
Procedimiento de Diseño Filtro Pasa Bajas de 40 Hz (60dB/dec)

Procedimiento de Diseño Filtro Pasa Altas de 0.05Hz (60dB/dec)

Nota: Es importante tener en cuenta el acople de impedancia entre la señal entregada por el filtro y el sistema de adquisición, máxime cuando son fuentes independientes de alimentación. Esto genera componentes DC y ruido excesivo que contamina la señal.
Filtro Pasa Banda de Banda Angosta
El circuito de la Figura 9, es un filtro activo Pasa Banda de Banda Angosta Butterworth, con una frecuencia de corte inferior de 12Hz y una superior de 25Hz (Ver Figura 10). El filtrado se realiza en el circuito RC y el amplificador operacional (LF353N), obteniéndose el complejo QRS. Estos dispositivos son de bajo costo, gran velocidad, y entrada JFET. Requieren un bajo suministro de energía, manteniendo una ganancia y ancho de banda proporcional, además provee una muy baja entrada de corrientes de Offset, lo cual ofrece un excelente rechazo en modo común.

Figura 9 Filtro Banda Angosta de 12 - 25Hz

Figura 10 Diagrama de Bode Filtro Banda Angosta de 12 - 25Hz
Paso de diseño en el filtro Banda Angosta (12Hz-25Hz)
A fin de garantizar que la respuesta la frecuencia sea plana durante los valores de pasa banda se aplican los siguientes cálculos:

Procedimiento de diseño del filtro banda angosta

Seguidamente del filtro pasa banda de banda angosta se encuentra un seguidor de tensión para acople de impedancias con la etapa posterior (Comparador de Tensión). La salida del filtro va a conector Jack ¼ mono.
Comparador de Tensión
El circuito de la Figura 11, es un comparador de histéresis utilizando el circuito integrado LM311. El comparador LM311 es un circuito integrado diseñado y optimizado para lograr un alto rendimiento en aplicaciones como detector de nivel de voltaje.

Figura 11 Comparador de Tensión
Esquema de caracterización del VTH en el complejo QRS
Utilizando el simulador Lionheart (Ver Figura 12), se alimenta el circuito mostrado en la Figura 11 con la primera derivación del ECG cuya rata cardíaca se incrementa desde 30 a 300 ppm.
Figura 12. Multiparameter Simulator Lionheart
Debido a que la señal analizada es una señal biológica (estocástica) se encontró inconveniente para calibrar el voltaje de transición de umbral (VTH) en el comparador (LM311), existiendo un corrimiento en fase del complejo QRS con el pulso entregado por el comparador de histéresis. Se calibra el VTH al variar la resistencia Rf=R1 (Ver Figura 11) del comparador de histéresis (LM311) y su sincronismo con el tiempo de activación del multivibrador monoestable 74121.
La realimentación negativa en un amplificador tiende a mantenerle dentro de la región lineal y una realimentación positiva fuerza a ese amplificador a operar en la región de saturación, un disparador Schmitt es un comparador regenerativo con realimentación positiva que presenta dos tensiones de comparación a la entrada, VTH (Voltaje de transición alto) y VTL, (Voltaje de transición bajo) en función del estado de la salida.
La ventana de transición del comparador de este tipo de circuito presenta histéresis y por ello también se le denomina comparador con histéresis. Una característica principal se debe a su capacidad de eliminar ruidos gracias a un voltaje mínimo existente en el divisor de tensión formado por Rf (R1) y Ri (R2), que evita los falsos disparos (Ver Figura 11).
En la Figura 11 se muestra el esquema de un disparador Schmitt inversor formado por un LM311. La resistencia Rf y Ri introducen una retroalimentación positiva en el circuito que fuerza a operar el LM311 en saturación. La tensión de entrada Vi es comparada con Vp; esta tensión se obtiene a través del divisor de tensión formado por Rf y Ri, de forma que:
![]()
Como Vo (Voltaje de salida) puede tener dos estados VOH (Voltaje de salida alto) y VOL (Voltaje de salida bajo), existen dos tensiones umbrales definidas por:

La configuración interna del LM311 suministrada por el fabricante muestra un transistor en configuración de colector abierto controlado en la base con un divisor de tensión, situación que obliga en el diseño a calibrar el voltaje de salida, con resistencia externa conectada al terminal 7 de salida del LM311 (Ver Figura 11). El fabricante sugiere un valor de resistencia de 510W.
El cambio de la salida del comparador únicamente se produce cuando la tensión de entrada Vi alcanza el valor VTL o VTH. La configuración de comparador de histéresis de la Figura 11 es inversor ya que para tensiones bajas de Vi la salida es VOH y viceversa, para tensiones altas de Vi la salida es VOL.
Sujetos a la señal de origen y a su condición estocástica, el complejo QRS puede variar su frecuencia de exposición, permitiendo que aparezca el segmento ST de la primera derivación. Teniendo en cuenta la relación de ganancia Vo/Vi, por ejemplo, el simulador de ECG Lionheart entrega una señal de amplitud 1mV (Complejo QRS) que en proporción al segmento ST es un 90% mayor, es decir, el segmento ST tiene una amplitud de 0.1mV; al multiplicar estos valores por la ganancia fija del amplificador de instrumentación (Av = 532) se tienen valores máximos de 532mV (Complejo QRS) y 53.2 mV (Segmento ST).
En el caso fortuito que esto llegase a ocurrir se produciría una doble cuenta (Complejo QRS + Segmento ST) arrojando un guarismo erróneo de frecuencia cardíaca; por este motivo se tiene en cuenta calibrar el VTH del LM311 variando Rf, logrando un VTH ideal de 150mV (»>>>200%) como se muestra en la Figura 13.

Figura 13. Valor óptimo de Rf para VTH ideal
Circuito Monoestable
El multivibrador monoestable o de disparo genera un pulso de salida de duración fija, cada vez que se dispara su entrada. El disparo de entrada puede ser un pulso completo, una transición de bajo a alto o de alto a bajo, dependiendo del pulso de disparo la salida puede ser positiva o negativa.
Para ajustar la duración de pulso de salida se utiliza una combinación Resistencia-Condensador. La duración t del pulso de salida se calcula utilizando la fórmula: t = 0.7RC.
Donde R es igual al valor de resistencia en Ohmios, C es igual al valor del condensador en Faradios y t igual a tiempo de duración de pulso de salida en segundos.
La duración del pulso monoestable es de 250ms ya que después de producirse un complejo QRS pasa cierto tiempo en el cual es imposible que se produzca otro. La frecuencia máxima de pulsaciones por minuto son 240 ppm, es decir: (Ver Figura 14).

Figura 14 Multivibrador Monoestable
Según el datasheet del fabricante el monoestable 74121 tienen tres entradas de disparo separadas (A1, A2 y B). Normalmente solo se utiliza una entrada (B) como se muestra en la Figura 14. Esta situación está reflejada en la línea 8 de la tabla de verdad (Ver Tabla 1), creando una transición de nivel Bajo a Alto óptima para recepcionarla en la etapa siguiente.

Tabla 1 Tabla de Verdad del Monoestable 74121
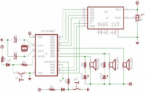
Microcontrolador PIC16F84A
Este circuito integrado programable contiene todos los componentes de un computador. Empleado para controlar el funcionamiento de una tarea determinada y, debido a su reducido tamaño suele ir incorporado en el propio dispositivo al que gobierna.
El microcontrolador es un computador dedicado. En su memoria solo reside un programa destinado a gobernar una aplicación determinada; sus líneas de entrada/salida soportan el conexionado de los sensores y actuadores del dispositivo a controlar y todos los recursos complementarios disponibles tienen como única finalidad atender sus requerimientos. Una vez programado y configurado el microcontrolador solamente sirve para gobernar la tarea asignada.
La aplicación directa del PIC16F84A en el módulo de frecuencia cardíaca, básicamente es contar durante 60 segundos los pulsos provenientes de la etapa del multivibrador monoestable 74121, presentar la lectura de los pulsos cardiacos en una pantalla de cristal líquido con su respectivo parámetros de bradicardia (<60 ppm), normal (entre 60 a 100ppm) y taquicardia (>100 ppm) con sus respectivas alarmas auditivas y visuales (Ver Figura 15).

Figura 15 Circuito PIC 16F84A
Algoritmo de control del PIC16F84A
En este algoritmo se representa el programa principal para controlar las operaciones realizadas por el microcontrolador para indicar la lectura de la frecuencia cardíaca (Ver Figura 16).

Figura 16. Algoritmo del programa PIC16F84A
Nota: El programa en .asm lo podrás encontrar en "Descargas".