Menu Principal:
—Qué es y para que se utiliza.
—Características del Instrumento.
—Diagrama a bloques del Módulo de Temperatura Corporal.
—Caracterización del Instrumento.
La captación de las señales eléctricas producidas por los músculos durante una contracción muscular se conoce como electromiografía. Estas señales son generadas por el intercambio de iones a través de las membranas de las fibras musculares debido a una contracción muscular.
Lo que la gente considera normalmente un músculo (por ejemplo, el bíceps de los brazos) consta de miles de células individuales, envueltas en tejido conectivo. Como las células musculares tienen una forma elongada, con frecuencia se llaman fibras. Las fibras musculares están dispuestas en haces llamados fascículos, que se encuentran envueltos en tejido conectivo.
La electromiografía (EMG) consiste básicamente en la adquisición, registro y análisis de la actividad eléctrica generada en nervios y músculos a través de la utilización de electrodos (superficiales, de aguja, implantados). Las mediciones extraídas de EMG proporcionan una información valiosa acerca de la fisiología y los patrones de activación muscular.
Dicha información refleja las fuerzas que son generadas por los músculos y la temporización de los comandos motores. Además, puede usarse en el diagnóstico de patologías que afectan al Sistema Nervioso Periférico, las alteraciones funcionales de las raíces nerviosas, de los plexos y los troncos nerviosos periféricos, así como de patologías del músculo y de la unión neuromuscular. La amplitud de las señales EMG varía desde los μV hasta un bajo rango de mV (menor de 10mV).
La amplitud, y las propiedades de las señales EMG tanto en el dominio del tiempo como en la frecuencia dependen de factores tales como: El tiempo y la intensidad de la contracción muscular, La distancia entre el electrodo y la zona de actividad muscular, Las propiedades de la piel (por ejemplo el espesor de la piel y tejido adiposo), Las propiedades del electrodo y el amplificador y la calidad del contacto entre la piel y el electrodo. Los aspectos más importantes relacionados con la adquisición y el análisis de señales EMG de superficie fueron tratados recientemente en un consenso multinacional llamado SENIAM: Surface EMG for the Non-Invasive Assessment of Muscles, donde se discute desde la construcción del electrodo hasta su ubicación. La medición y la representación de las señales EMG de superficie dependen de las propiedades de los electrodos y su interacción con la piel, el diseño del amplificador y la conversión y subsecuente almacenamiento de la señal de formato análogo a digital (A/D).
La calidad de la señal EMG medida es usualmente descrita por la relación entre la señal EMG medida y las contribuciones de ruido indeseadas por el ambiente. La meta es maximizar la amplitud de la señal mientras se minimiza el ruido.
Asumiendo que el diseño del amplificador y el proceso de conversión A/D están por encima de los estándares aceptables, la relación entre la señal y el ruido está determinada casi exclusivamente por los electrodos, y más específicamente, las propiedades del electrodo y el contacto con la piel. La contracción de fibras musculares genera actividad eléctrica que puede ser medida por electrodos fijados a la superficie de la piel próxima al grupo muscular.
La señal EMG superficial medida usando electrodos que monitorizan la actividad de múltiples fibras musculares puede ser modelada como un proceso estocástico variante en el tiempo con media cero. Ha sido observado que la desviación estándar de la señal EMG (sin procesar) está monotónicamente relacionada al número de unidades motoras activadas y a la velocidad de su activación.
Esta desviación estándar es usada para aproximar la magnitud de la actividad eléctrica muscular, referida como la amplitud EMG. La amplitud EMG tiene una variedad de aplicaciones, tales como la señal de control para prótesis mioeléctricas, estimaciones ergonómicas, sistemas de realimentación (Biofeedback), y también ha sido usada para estimar el par asociado a una articulación.
El instrumento desarrollado capta las señales provenientes de los músculos del paciente por medio de electrodos localizados en la zona comprometida, mientras el paciente regula de manera consciente o voluntaria la contracción o relajación de los grupos musculares a través de los indicadores visuales que posee el equipo.
Las señales provenientes de los electrodos de la zona muscular afectada, son integradas y graficadas en forma proporcional a los niveles de contracción y relajación del músculo, de manera que cuando el músculo está tenso la gráfica se eleva y cuando el paciente relaja el músculo, la misma desciende. Utilizando un mecanismo subconsciente, el paciente aprende a controlar los niveles de la gráfica y de esta manera se entrena para ir aumentando gradualmente la intensidad de las contracciones.
Características del instrumento
Se exponen en siguiente tabla las especificaciones del sistema desarrollado:
Canales analógicos de entrada |
1 |
Resolución del conversor A/D |
12 Bits |
Impedancia de entrada |
6 Mohms (diferencial) |
CMRR |
120 db (mínimo) |
Ganancia |
Variable (1, 2, 8 y 16) |
Filtro Notch |
60 Hz |
Filtro Pasa Bajos |
fc = 1,3 Khz |
Filtro Pasa Altos |
fc = 5 Hz |
Comunicación con PC |
Serial |
Transferencia de datos |
Modo encuesta |
Todos los instrumentos que permiten aplicar esta técnica tienen tres componentes fundamentales: un transductor, una unidad de procesamiento y un dispositivo de salida.
El transductor detecta el cambio en el parámetro que está siendo medido, en este caso una señal eléctrica producida por un proceso fisiológico, la despolarización de fibras musculares previa a su contracción. Los transductores encargados de recoger esta señal biológica se llaman electrodos cuya función es convertir el flujo iónico en corriente eléctrica.
Los electrodos se adhieren a la piel del paciente sobre el músculo. La unidad de procesamiento contiene circuitos eléctricos que amplifican, filtran y digitalizan la señal adquirida. La indicación del esfuerzo puede tomar diferentes formas, visual, auditiva o ambas. En este caso se utilizó la pantalla de la computadora como display para graficar la intensidad del esfuerzo a lo largo del tiempo.
La indicación debe poder cambiar instantáneamente en respuesta al esfuerzo para dar al paciente una inmediata información acerca de su actividad.
Diagrama a bloques del Módulo de Electromiografía
A continuación se da una breve descripción de los bloques que componen el instrumento:

Electrodos
Se pueden obtener señales Electromiográficas para el estudio del movimiento utilizando electrodos de superficie o intramusculares generalmente por pares (bipolares). La amplitud y anchura de banda de la señal EMG no están determinada únicamente por las fuentes electrofisiológicas y sus distancias hasta los electrodos, sino también por los tipos y tamaños de electrodos utilizados y por el espaciamiento entre electrodos. Los electrodos de superficie van unidos a la piel sobre el segmento muscular que se está estudiando.
Los electrodos de superficie se utilizan para estudiar la actividad de todo el músculo superficial. El espaciamiento entre electrodos determina el volumen de registro o recepción del tejido, resultando los espaciamientos más pequeños en registros más selectivos. Los electrodos de superficie suelen ser de ranura, con pasta de electrodo llenando la cavidad para conseguir más contacto con la piel y reducir la impedancia de los electrodos.
Los electrodos comercializados pueden ser desechables, como los electrodos Electrocardiográficos (ECG), o reutilizables con una protección de plástico y un cuello adhesivo por ambos lados. Su diámetro va de 2 a 10 mm para la parte activa del electrodo. Los electrodos de cloruro de plata-plata (Ag-Ag Cl) con pasta de cloruro se utilizan invariablemente debido a sus propiedades de estabilidad y reducción del ruido.
Distancia entre electrodos
La normatividad define la distancia entre electrodos como "la distancia entre centros de las áreas de conductividad de los electrodos". Con respecto a la distancia entre electrodos, la normatividad recomienda que:
—"Los electrodos bipolares EMG de superficie tengan una distancia entre electrodos de entre 20mm y 30mm."
—"Cuando los electrodos bipolares están siendo aplicados sobre músculos relativamente pequeños, la distancia entre electrodos no debe superar 1/4 de la longitud de la fibra muscular. De esta forma se evitan los efectos debidos a tendones y terminaciones de las fibras musculares."
Posicionamiento de los electrodos La señales electromiográficas dan una muestra de la actividad eléctrica en los músculos durante una contracción. Sin embargo, estas señales están altamente relacionadas con la posición del electrodo sobre el músculo de interés. Debido a esto, es necesario que la ubicación de los electrodos sea consistente en sesiones consecutivas de estudio y sobre diferentes pacientes. Para determinar la ubicación de los electrodos es recomendado utilizar la normatividad correspondiente donde se encuentran sugerencias para la ubicación de los electrodos sobre 27 zonas musculares distintas. El objetivo al ubicar los electrodos es conseguir una ubicación estable donde se pueda obtener una buena señal electromiográfica. Los electrodos se pueden ubicar sobre la superficie de la piel de manera longitudinal, o transversal.
—Longitudinal: la recomendación es ubicar el electrodo bipolar en la zona media del músculo, esto es, entre la terminación de la neurona motora que envía el impulso eléctrico al músculo (aproximadamente línea media del músculo) y el tendón distal.
—Transversal: la recomendación es ubicar el electrodo bipolar sobre la zona media del músculo, de tal forma que la línea que une los electrodos, sea paralela con el eje longitudinal del músculo.
Preamplificación
La señal generada por una gran unidad motora tiene una amplitud de 0 volt (en reposo, es decir, cuando no existe contracción muscular) y 250 µV durante la contracción. Debido a que las señales mioeléctricas son de bajo valor, ruidos o artefactos como el ruido ambiente o en mayor medida el ruido de línea (50Hz – 60Hz) pueden provocar una falsa interpretación de los resultados.
Por lo tanto, el preamplificador de la unidad de procesamiento necesita ser no solo lo suficientemente sensible como para detectar y amplificar las pequeñas señales sino que también debe discriminar los ruidos o artefactos de manera de visualizar solo actividad Electromiográfica. Los amplificadores diferenciales permiten rechazar gran parte del ruido externo. Los amplificadores de Instrumentación cumplen con esas características y están especialmente construidos para propósitos de instrumentación médica. A su vez permite variar el factor de amplificación con la modificación de un juego de resistencias.

El circuito de la Figura anterior, está conformado por dos etapas:
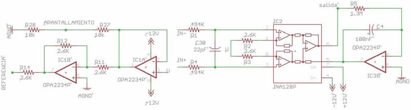
1. Acople de aislamiento e impedancia del electrodo de referencia: Tiene dos objetivos, el primero es colocar el electrodo de referencia a una tierra activa aislada de la tierra eléctrica del circuito con el propósito de suministrar seguridad eléctrica al paciente; y el segundo, atenuar el voltaje de modo común que afecta los terminales de entrada del amplificador de instrumentación.
2. Pre-Amplificación: Para este propósito se utilizó un amplificador de Instrumentación de configuración típica; con la diferencia en que el pin 5 (Ref) no va conectado a tierra, sino a un circuito que tiene como función eliminar las señal DC presente en los circuitos.
Filtrado
Para el diseño de los filtros que permiten obtener una señal "limpia" para su respectivo análisis, es conveniente utilizar una herramienta de diseño de filtros activos que permitan simular el comportamiento del filtro requerido, simplificando el trabajo de diseño de estos.

La figura anterior muestra la respuesta de los dos filtros conectados en cascada: Se implementan dos tipos diferentes de filtros con el objetivo de eliminar el ruido de línea y de limitar en banda la señal de entrada:
—Filtro Pasa bajos: Este filtro de banda plana (Butterworth de segundo orden) tiene como función limitar las señales de entrada de frecuencia mayor a 1,3KHz.
—Filtro Pasa altos: Este filtro de banda plana (Butterworth de segundo orden) tiene como función limitar las señales de entrada con valores de continua.

En esta etapa se utilizó un filtro pasa - altas tipo pasivo (conformado por el condensador C2 y la Resistencia R19) y un filtro pasa - bajas tipo activo con una frecuencia de corte de 500Hz.
Amplificación
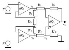
En ésta etapa se realiza de nueva una amplificación, pero en éste caso es de la señal ya filtrada, dicho circuito consta de un no-inversor, el cual se implementó con un amplificador operacional. Para el diseño de este tipo de amplificadores, la configuración más popular y útil es la implementada con tres amplificadores operacionales cono se muestra en la siguiente figura.

Los amplificadores AO1 y AO2 están dispuestos a la entrada de voltaje y actúan como seguidores de ganancia unitaria y solo los voltajes diferenciales serán amplificados. Se conecta una resistencia Rg entre las entradas inversoras de estos amplificadores la cual permite aumentar la ganancia determinada sin incrementar la ganancia en modo común ni el error, y el amplificador AO3 determina el voltaje de salida. Los amplificadores de instrumentación se pueden encontrar en un solo encapsulado, que contienen la configuración de los tres amplificadores operacionales que se describió. La realimentación se puede manejar por medio de una sola resistencia externa aislada de los terminales de entrada.

Para obtener una señal de mayor amplitud, se realiza nuevamente una etapa de amplificación utilizando un amplificador de instrumentación, con su respectivo circuito DC en el pin 5, para eliminar la señal DC presente en el circuito.
Filtrado Rechaza Banda
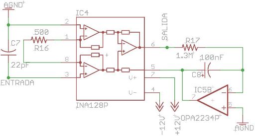
El filtro notch se caracteriza por rechazar una frecuencia determinada que este interfiriendo a un circuito, en nuestro caso la frecuencia de 60Hz que es generada por la línea de potencia. El circuito se ve expuesto a ruido ambiental que proviene de las lámparas fluorescentes y otros dispositivos que emiten ruido a través de ondas de 60 Hz. El filtro notch se encargara de rechazar exclusivamente el ruido de 60 Hz para entregar a la salida una señal completamente pura de distorsiones.

A continuación se presenta el circuito electrónico del filtro rechaza banda:

Conversor Análogo – Digital
Para la implementación de este bloque se utilizó un microcontrolador. En este documento se detalla la configuración y funcionamiento del módulo conversor, que es un conversor análogo digital de 12 bits que trae incorporado el microcontrolador utilizado.
Su función es convertir voltajes analógicos que se introducen por distintas entradas disponibles a palabras binarias de 12 bits. Esto lo realiza utilizando recursos propios de modulo, es decir sin interferir en el procesamiento principal del microcontrolador.
Características:
—Conversión de 12 bits.
—Tasa de muestreo programable, con una máxima de 200k Muestras por segundo.
—Inicio de la conversión por software o por temporizadores.
—Término de cada conversión puede generar interrupciones.
—Fuente de reloj, periodo de captura y frecuencia de muestreo programables.
—Generación de referencias configurable por software.
—4 canales de entrada, más 2 señales internas.
—4 modos de adquisición.
—Hasta 4 conversiones almacenadas independientemente.
A continuación se presentan imágenes del montaje del protoboard del circuito de Electromiografía, los elementos utilizados fueron el circuito electrónico, electrodos, cable de paciente y el osciloscopio para observar la señal:

